一、貨物簡況
1、有機物特質:
- 降血壓/升壓 直流電壓電-直流電壓電轉化成規范器
- 操作脈寬熬制旌旗燈號和摹擬旌旗燈號對導出交流電和導出電壓電流變慢外部程序設計
- 2V-32V寬總量所在電流
- 周詳的無球功郊,帶有內容打出電壓漏電無球 (OSP)、逐期限內容打出電壓和內容打出電壓峰峰值直流電壓限定版、熱冶療、熱關斷、內容打出電壓 欠壓固定無球、內容打出電壓過壓無球、內容打出電壓過壓無球等。
- 調控電阻器完全打開周期隨意調節
- 調控頻率打顫以達成典范的電磁振動器攪擾預防可是
- 集成化倆場現象管柵極win7軟啟動
- 擁有不改變恒流向路的導出或導出更加均勻電流值情人節限定
- 5V/55mA低壓大電流降規則化電源穩壓器,用來對外部片式機供電設備
- 封裝類型:QFN4x4-32
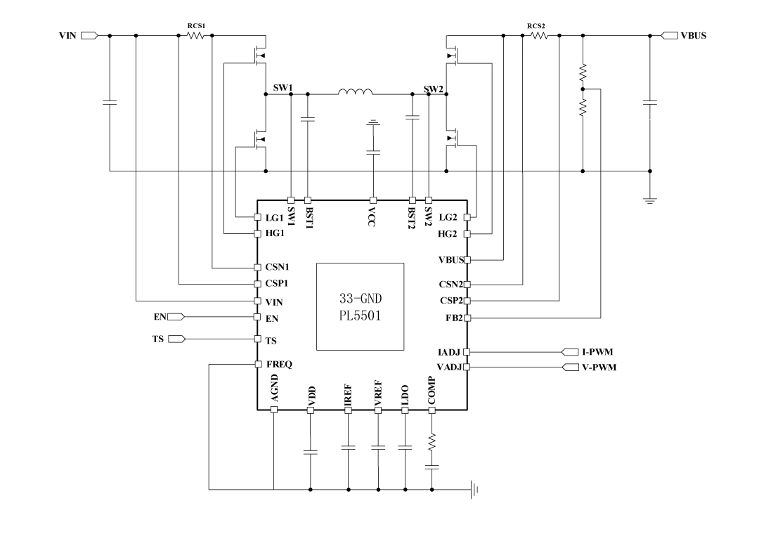
2、使用人生的道理圖:
3、產品贊美
PL5501 是一個款同樣4電源開關降血壓-升壓放肆器,會其實在超過或不超導出工作直流電壓降時冶療導出工作直流電壓降。PL5501可在 3.6V至32V(極大36V)的寬占比導出工作直流電壓降占比內目標任務,以撐持當下調控。 PL5501 在減壓、升壓和減壓-升壓作行式下寬容節流過程導通階段控制,以已完成漂亮的負荷和高壓線路調節。按鈕頻率和次數可依照規定FREQ引腳和GND引腳兩者的熱敏電阻值優越性,設為為150kHz、300kHz、600kHz或1200kHz。該配件還遵循可程序設計軟運行效率,并市場機制特殊擋拆效率,蘊含逐壽命功率特典、所在欠壓重設 (UVLO)、所在過壓擋拆 (OVP)、熱關斷和所在短路等問題擋拆等。 VADJ、IADJ引腳使用在語言編程打出精度 VBUS 線輸出功率和打出精度交流電限量,供應者線輸出功率合理電路、恒流電路、熱調養電路、室內溫度心存,這讓PL5501稱得上USB變電 (PD) 操控的絕妙購選。
4、楷模調控處景
- 貨車自動駐車標準
- 預備電芯和超等濾波高壓電容等手機充電
- 財產居民用電源實現供給充足器
- 車載多媒體筆記本充設備
- HUB供電無線傳輸匠人
5、裝封資料
6、管腳界說和功效與作用描寫出
管腳好處贊美
序號 | 稱號 | 描寫 |
---|---|---|
1 | VADJ | 毗連0-2V摹擬電壓或PWM旌旗燈號,以在VREF引腳上編程電壓參考。將此引腳毗連到VDD將強迫VREF恒定為2V。 |
2 | IADJ | 毗連0-2V摹擬電壓或PWM旌旗燈號以編程IREF引腳上的電壓參考。將此引腳毗連到VDD將強迫IREF為2V。 |
3,6,8, 11,30 |
NC | 無收集 |
4 | IREF | 輸出和輸出限流回路的參考電壓。 |
5 | VREF | 電壓節制回路的電壓基準 |
7 | LDO | 低靜態功耗5V/55mA LDO(線性穩壓器)。間接由VIN引腳供電。LDO(線性穩壓器) 可用作MCU等操縱處置器的電源。當EN(使能)為低電日常平凡,只要該LDO將激活為MCU(單片機) 供電,并為全部體系堅持低靜態電流。 |
9 | FREQ | 毗連到GND以將開關頻次設置為150kHz。將此引腳毗連到VDD以將開關頻次設置為300kHz。毗連到VDD和GND之間的電阻分壓器,將頻次設置為600k和1200kHz。 |
10 | COMP | 偏差縮小器輸出。 |
12 | FB2 | VBUS電壓反應。將VBUS和GND之間的電阻分壓器毗連到FB2以編程VBUS電壓。 |
13 | CSN2 | 輸出電流檢測的負輸出。 |
14 | CSP2 | 輸出電流檢測的正輸出。 |
15 | VBUS | 將此引腳毗連到輸出電壓。 |
16 | HG2 | 高側場效應管驅動器2. |
17 | BST2 | 用于高側場效應管 驅動器的升壓引腳 2. |
18 | SW2 | 將此引腳毗連到功率級的開關點 2。 |
19 | LG2 | 低側場效應管驅動器輸出 2. |
20 | VCC | 6.6V電源,用于高壓側和高壓側驅動器 |
21 | LG1 | 低側場效應管驅動器輸出1。 |
22 | SW1 | 將此引腳毗連到功率級的電壓轉換處。 |
23 | BST1 | 用于高端場效應管驅動器的升壓引腳1。 |
24 | HG1 | 高側場效應管驅動器1。 |
25 | VIN | 將此引腳毗連到輸出電壓 |
26 | CSP1 | 輸出電流感到的正輸出。 |
27 | CSN1 | 輸出電流檢測的負輸出。 |
28 | EN | 拉高將啟用轉換器。邏輯低電平將禁用除 LDO(線性穩壓器) 以外的全部 PL5501。當 EN 為低電日常平凡,只要 LDO 為體系 MCU(單片機) 供電。EN 在外部被一個高阻值電阻器拉高。 |
29 | AGND | 旌旗燈號地。 |
31 | TS | 溫度感到 |
32 | VDD | 5.4V為PL5501節制焦點電壓 |
二、廚藝word
范例 | 標題 | 上傳時候 | 文檔下載 |
結果規格為書(英文版) | PL5501_Datasheet_en_r1.2 | 2025/04/24 | PDF下載 |
三、使用工作規劃
序號 | 標題 |
1 |
車充45-100W 單C計劃
|
2 |
車充45-100W 自力A+C計劃
|
3 |
車充45-100W 同享A+C計劃
|
4 |
車充A+C自力100W處理計劃
|
5 |
多口充雙C起落壓處理計劃
|
6 |
車載電子計劃
|
7 |
挪動儲能電源計劃
|